Les types du régime de neutre:
Le choix du régime du neutre, tant en basse tension qu'en haute tension, dépend à la fois de la nature de l'installation et de celle du réseau. Il est également influencé par la nature des récepteurs, la recherche de la continuité de service et la limitation du niveau de perturbation imposé aux équipements sensibles.
La norme NF C 15.100 définit trois régimes de neutre qui sont caractérisés par deux lettres :
1ère Lettre : Situation de l'alimentation par rapport à la terre.
T: liaison d'un point avec la terre ;
I: isolation de toutes les parties actives par rapport à la terre ou liaison d'un point avec la terre à travers une impédance ;
2ème Lettre : Situation des masses de l'installation par rapport à la terre :
T : masses reliées directement à la terre ;
N : masses reliées au neutre de l'installation, lui-même relié à la terre.
Régime TT:
Le neutre de l'installation est directement relié à la terre.
Les masses de l'installation sont aussi reliées à la terre.
Cette solution est celle employée pour les réseaux de distribution basse tension.
Aussitôt qu'un défaut d'isolement survient, il doit y avoir coupure : C'est la coupure au premier défaut.
Ce régime se rencontre dans les cas suivants : domestique, petit tertiaire, petits ateliers, établissements scolaires avec salle de travaux pratiques, etc.

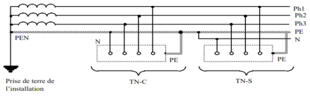
Mise au neutre TN
Schéma TN-C (Mise au neutre confondus)
Le neutre et le conducteur de protection sont CONFONDUS. Ce type de schéma est interdit pour des sections de conducteurs inférieurs à 10 mm2; Le conducteur PEN (Protection et Neutre) ne doit jamais être sectionné.
Schéma TN-S (Mise au neutre séparés)
Le neutre et le conducteur de protection sont SEPARES. Il faut utiliser des appareils tripolaire + neutre.
Dans les deux cas, la protection doit être assurée par coupure au premier défaut.

Neutre isolé : IT
Le neutre est isolé ou relié à la terre par une assez forte impédance (1500 à 2000 V).
Le premier défaut ne présente pas de danger.
Le courant phase masse est très faible et aucune tension dangereuse n'est à craindre.
Mais il doit être signalé et recherché pour être éliminé. La coupure est obligatoire au deuxième défaut.
