Les différents régimes de neutre:
Les différents modes de raccordement du point neutre à la terre sont indiqués sur le tableau 4-1.
On distingue :
Neutre mis directement à la terre
Une liaison électrique est réalisée intentionnellement entre le point neutre et la terre.

Neutre isolé ou fortement impédant
Neutre isolé
Il n'existe aucune liaison électrique entre le point neutre et la terre, à l'exception des appareils de mesure ou de protection.
Neutre fortement impédant
Une impédance de valeur élevée est intercalée entre le point neutre et la terre.

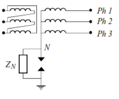
Neutre mis à la terre par résistance
Une résistance est intercalée volontairement entre le point neutre et la terre

Neutre mis à la terre par bobine d'extinction de Petersen
Une réactance accordée sur les capacités du réseau est volontairement intercalée entre le point neutre et la terre de sorte qu'en présence d'un défaut à la terre, le courant dans le défaut est nul.
