2ème exemple
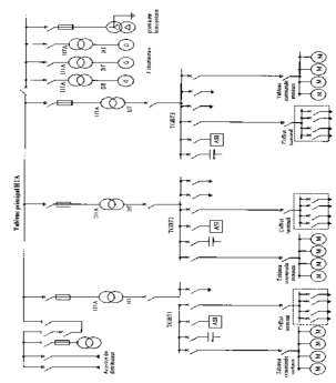
Constitution du réseau :(voir fig. 2.13)
un poste de livraison HTA à comptage HT
un tableau principal HTA qui peut être secouru par un groupe d'alternateurs, il alimente 3 transformateurs
un générateur homopolaire permettant de réaliser une mise à la terre du neutre par impédance lorsque le réseau est alimenté par les alternateurs
des tableaux généraux basse tension TGBT1, TGBT2, TGBT3 indépendants, ils possèdent chacun un départ vers une ASI alimentant un circuit prioritaire
un réseau basse tension de type radial arborescent. Les tableaux commande moteurs et les coffrets terminaux sont alimentés par une seule source.
