1er exemple
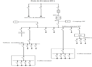
Constitution du réseau : (voir fig. 2.12)
un poste de livraison HTA à comptage BT, en coupure d'artère avec deux arrivées
un tableau principal basse tension secouru par un alternateur
un tableau prioritaire alimenté par une alimentation sans interruption
un réseau basse tension de type radial arborescent. Le tableau secondaire et les coffrets terminaux sont alimentés par une seule source.
