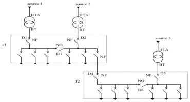
l'alimentation des tableaux BT par une double alimentation avec couplage
La figure 2.8 présente l'alimentation des tableaux BT par l'utilisation d'une double alimentation avec couplage.

Le tableau T1 bénéficie d'une double alimentation avec couplage par 2 transformateurs HTA/BT.
Fonctionnement de l'alimentation de T1 : en fonctionnement normal, le disjoncteur de couplage D3 est ouvert. Chaque transformateur alimente une partie de T1. En cas de perte d'une source d'alimentation, le disjoncteur de couplage D3 est fermé et un seul transformateur
alimente la totalité de T1.
Le tableau T2 bénéficie d'une double alimentation avec couplage par un transformateur HTA/BT et par un départ issu d'un autre tableau BT.
Fonctionnement de l'alimentation de T2 : en fonctionnement normal, le disjoncteur de couplage D6 est ouvert. Chaque source alimente une partie de T2. En cas de perte d'une source, le disjoncteur de couplage D6 est fermé et l'autre source alimente la totalité de T2 [6][1].
Pour compléter ce cours vous pouvez consultez le vidéo prochain.