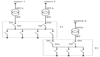
l'alimentation des tableaux BT par une double alimentation sans couplage
La figure 2.7 présente l'alimentation des tableaux BT à l'aide d'une alimentation sans couplage.

Le tableau T1 bénéficie d'une double alimentation sans couplage par 2 transformateurs
Fonctionnement de l'alimentation de T1 :
les deux sources alimentent T1 en parallèle
en fonctionnement normal, les deux disjoncteurs sont fermés (D1 et D2).
Le tableau T2 bénéficie d'une double alimentation sans couplage par un transformateur HTA/BTA et par un départ issu d'un autre tableau BT.
Fonctionnement de l'alimentation de T2 :
une source alimente le tableau T2, la seconde assure le secours.
en fonctionnement normal, un seul disjoncteur est fermé (D3 ou D4).